Document Page: First | Prev | Next | All | OCR | This Release | Search

File: 102596_jun96_decls20_0002.gif
Page: 0002
Total Pages: 2


Document Page: First | Prev | Next | All | OCR | This Release | Search


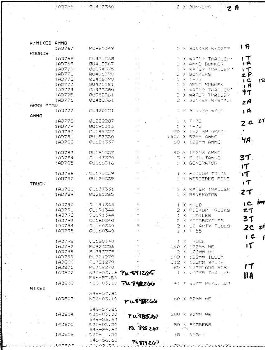
Document 2 f:/Week-24/BX000211/TASK FORCE DEMO DESTROYED TARGETS 1/1st ad enemy equipment destruction update for 17:10189613570924
Control Fields 17
File Room = jun96_declassified
File Cabinet = Week-24
Box ID = BX000211
Unit = VII CORPS
Parent Organization = ARCENT
Folder Title = TASK FORCE DEMO DESTROYED TARGETS 1
Folder Seq # = 116
Subject = 1ST AD ENEMY EQUIPMENT DESTRUCTION UPDATE FOR 17
Document Seq # = 9
Document Date =
Scan Date =
Queued for Declassification = 01-JAN-1980
Short Term Referral = 01-JAN-1980
Long Term Referral = 01-JAN-1980
Permanent Referral = 01-JAN-1980
Non-Health Related Document = 01-JAN-1980
Declassified = 18-OCT-1996