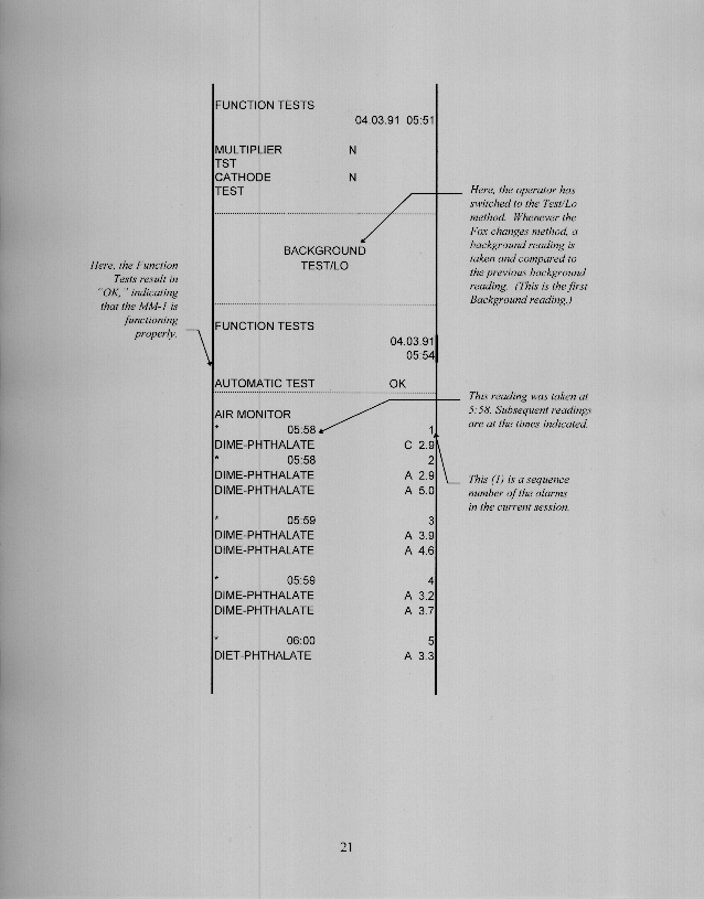
Tab E - Transcription of Fox Spectra Printout

 

 


| First Page | Prev Page | Next Page |